EKD6 isolated switch is widely used in industrial control machinery and various electrical appliances, and can effectively solve the problems of emergency disconnection, safety disconnection, machine control, motor control and so on.
• With alloy contacts, electrical special silver long life and high reliability.
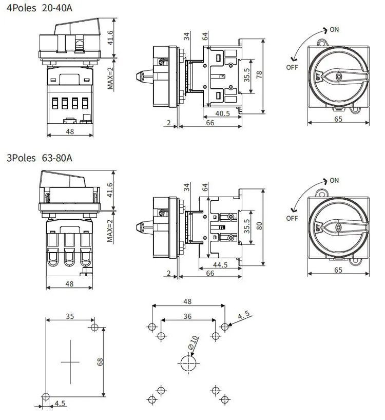
• Small size, space-saving installation.
• Construct a protective finger to make the operation safe.
• With a variety of installation, ease of application of various purpose(panel mount, rail mount, sealed switch box type).
• IP66 degree of protection

|
Current |
20A |
32A |
40A |
63A |
80A |
|
|
Type |
EKD6-PM20R-4RY64 |
EKD6-PM32R-4RY64 |
EKD6-PM40R-4RY64 |
EKD6-PM63R-3RY64 |
EKD6-PM80R-3RY64 |
|
|
Rated current |
20A |
32A |
40A |
63A |
80A |
|
|
Rated operating current AC-23A |
16A |
25A |
32A |
45A |
45A |
|
|
Rated operating current AC-3 |
12A |
23A |
30A |
37A |
37A |
|
|
Rated power control AC-23A |
240V |
4KW |
7.5KW |
9KW |
15KW |
15KW |
|
440V |
7.5KW |
12.5KW |
16KW |
22KW |
22KW |
|
|
Rated power control AC-3 |
240V |
3KW |
5.5KW |
7.5KW |
11KW |
11KW |
|
440V |
5.5KW |
11KW |
15KW |
18.5KW |
18.5KW |
|
|
UL-CSA Motor load |
240V |
3KW |
5KW |
5KW |
10KW |
10KW |
|
440V |
7.5KW |
10KW |
10KW |
20KW |
20KW |
|
|
Rated short-time withstand current |
250A |
400A |
500A |
600A |
850A |
|
|
Connect wires |
0.5-10MM2 |
1-16MM2 |
||||
|
Screw torque |
0.8-1.7N·m |
1.5-2N·m |
||||
|
Rated insulation voltage |
690V |
|||||

|
Current |
20A |
32A |
40A |
63A |
80A |
|
|
Type |
EKD6-PM20R-4B64 |
EKD6-PM32R-4B64 |
EKD6-PM40R-4B64 |
EKD6-PM63R-3B64 |
EKD6-PM80R-3B64 |
|
|
Rated current |
20A |
32A |
40A |
63A |
80A |
|
|
Rated operating current AC-23A |
16A |
25A |
32A |
45A |
45A |
|
|
Rated operating current AC-3 |
12A |
23A |
30A |
37A |
37A |
|
|
Rated power control AC-23A |
240V |
4KW |
7.5KW |
9KW |
15KW |
15KW |
|
440V |
7.5KW |
12.5KW |
16KW |
22KW |
22KW |
|
|
Rated power control AC-3 |
240V |
3KW |
5.5KW |
7.5KW |
11KW |
11KW |
|
440V |
5.5KW |
11KW |
15KW |
18.5KW |
18.5KW |
|
|
UL-CSA Motor load |
240V |
3KW |
5KW |
5KW |
10KW |
10KW |
|
440V |
7.5KW |
10KW |
10KW |
20KW |
20KW |
|
|
Rated short-time withstand current |
250A |
400A |
500A |
600A |
850A |
|
|
Connect wires |
0.5-10MM2 |
1-16MM2 |
||||
|
Screw torque |
0.8-1.7N·m |
1.5-2N·m |
||||
|
Rated insulation voltage |
690V |
|||||


| Reference No. | Specification |
| EKD6-PM20R-2RY64 | AC Isolated Switch 2P In:20A Red/Yellow Handle |
| EKD6-PM32R-2RY64 | AC lsolated Switch 2P In:32A Red/Yellow Handle |
| EKD6-PM40R-2RY64 | AC lsolated Switch 2P In:40A Red/Yellow Handle |
| EKD6-PM63R-2RY64 | AC lsolated Switch 2P In:63A Red/Yellow Handle |
| EKD6-PM80R-2RY64 | AC lsolated Switch 2P In:80A Red/Yellow Handle |
| EKD6-PM20R-3RY64 | AC lsolated Switch 3P In:20A Red/Yellow Handle |
| EKD6-PM32R-3RY64 | AC lsolated Switch 3P In:32A Red/Yellow Handle |
| EKD6-PM40R-3RY64 | AC lsolated Switch 3P In:40A Red/Yellow Handle |
| EKD6-PM63R-3RY64 | AC lsolated Switch 3P In:63A Red/Yellow Handle |
| EKD6-PM80R-3RY64 | AC lsolated Switch 3P In:80A Red/Yellow Handle |
| EKD6-PM20R-4RY64 | AC lsolated Switch 4P In:20A Red/Yellow Handle |
| EKD6-PM32R-4RY64 | AC lsolated Switch 4P In:32A Red/Yellow Handle |
| EKD6-PM40R-4RY64 | AC lsolated Switch 4P In:40A Red/Yellow Handle |
| EKD6-PM63R-4RY64 | AC lsolated Switch 4P In:63A Red/Yellow Handle |
| EKD6-PM80R-4RY64 | AC lsolated Switch 4P In:80A Red/Yellow Handle |
| EKD6-PM20R-2B64 | AC lsolated Switch 2P In:20A Black Handle |
| EKD6-PM32R-2B64 | AC lsolated Switch 2P In:32A Black Handle |
| EKD6-PM40R-2B64 | AC lsolated Switch 2P In:40A Black Handle |
| EKD6-PM63R-2B64 | AC lsolated Switch 2P In:63A Black Handle |
| EKD6-PM80R-2B64 | AC lsolated Switch 2P In:80A Black Handle |
| EKD6-PM20R-3B64 | AC lsolated Switch 3P In:20A Black Handle |
| EKD6-PM32R-3B64 | AC lsolated Switch 3P In:32A Black Handle |
| EKD6-PM40R-3B64 | AC lsolated Switch 3P In:40A Black Handle |
| EKD6-PM63R-3B64 | AC lsolated Switch 3P In:63A Black Handle |
| EKD6-PM80R-3B64 | AC lsolated Switch 3P In:80A Black Handle |
| EKD6-PM20R-4B64 | AC lsolated Switch 4P In:20A Black Handle |
| EKD6-PM32R-4B64 | AC lsolated Switch 4P In:32A Black Handle |
| EKD6-PM40R-4B64 | AC lsolated Switch 4P In:40A Black Handle |
| EKD6-PM63R-4B64 | AC lsolated Switch 4P In:63A Black Handle |
| EKD6-PM80R-4B64 | AC lsolated Switch 4P In:80A Black Handle |
