● Rated Voltage: Up to 1000V DC
● Input Channels: Max. 6 Stings
● Output Channels: 2 Stings
● Protection Devices: Integrated fuses and surge protection
● Enclosure: IP65 rated for outdoor use
● Compliance: Meets international safety standards
The EKDBS-PV series solar photovoltaic DC combiner box is designed with a high-strength plastic shell to ensure that the product is sturdy and durable. The combiner box has an IP65 protection level and provides optimal protection under harsh environmental conditions. These combiner boxes are suitable for domestic and industrial photovoltaic power generation systems with operating voltages of 500V, 600V and 1000V.
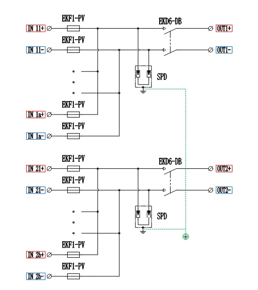
The combiner box can be equipped with a series of components such as DC circuit breakers, disconnectors, DC surge protectors, DC fuses, photovoltaic connectors or waterproof connectors.
The EKDBS-PV series provides lightning protection, short-circuit protection and grounding protection to ensure system safety. It supports up to 6 strings of DC input and can be easily mounted on the wall. In addition to the core components, all components can be customized according to user requirements.
| Model | EKDBS-PV2/2 | EKDBS-PV4/2 | EKDBS-PV6/2 | |||
| DC input strings | 2 | 4 | 6 | |||
| Output strings | 2 | 2 | 2 | |||
| Max. DC voltage | 600V | 1000V | 500V | 1000V | 1000V | |
| Max. input current | 32A | 15A | 10A/20A | |||
| Max. output current | 32A | 32A | 32A/63A | |||
| Surge Protection | ||||||
| Experimental Level | Ⅱ | Ⅱ | Ⅱ | |||
| Max. operation voltage | 600V | 1000V | 600V | 1000V | 1000V | |
| In (8/20μs) | 20kA | 20kA | 20kA | |||
| Imax (8/20μs) | 40kA | 40kA | 40kA | |||
| Voltage protection level | 2.6kV | 4KV | 2.6kV | 4KV | 4kV | |
| Poles | 2P | 2P | 2P | |||
| Design features | Plug-in module | |||||
| DC Fuse | ||||||
| Rated operation voltage | 1000V | 1000V | 1000V | |||
| Rated current | 15A | 15A | 15A | |||
| Fuse size | 10x38mm | 10x38mm | 10x38mm | |||
| Main Switch (MCB or Isolator switch available) | ||||||
| Rated current | 32A | 32A | 32A/63A | |||
| Enclosure | ||||||
| Material type | PC or ABS | |||||
| Degree of Protection | IP65 | |||||
| Impact protection level | IK10 | |||||
| Dimension | Determined by main switch type and input voltage (customizable) | |||||
| Input or output connector | PG or MC4 | |||||
| Environment | ||||||
| Operating Temperature | -25℃ to +55℃ | |||||
| Humidity | 95% | |||||
| Altitude | 2000m | |||||
| Installation | Wall Mounting | |||||

