1.Fuse holders are devices for containing, protecting and mounting fuses. Fuse holders come in two basic types, open or fully enclosed. Open fuse holder types are fuse clips, fuse blocks, socket and plug-on cap varieties. The fully enclosed variety may use a fuse carrier that is inserted into a holder or have other means to fully enclose the fuse.
2.Mounting choices for fuse holders include fuse block, fuse clip, panel mount, PC mount, snap mount, and in-line mount. Important environmental parameters to consider when specifying fuse holders include operating temperature.
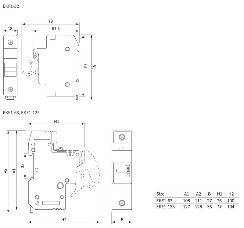
3.EKF1 AC fuse blocks and holders provide protection against short-circuits and overloads.
Indicating and non-indicating options available.
Compliance with standards: IEC EN 60269-2.
Small compact design offers ultimate flexibility.
35mm DIN Rail Mountable.
Easy installation and fuse removal with no additional pullers or tools required.
| Rated current In | 32A,63A,125A | |
| Model No. | General type | EKF1-32, EKF1-63, EKF1-125 |
| With Indicator type | EKF1-32L, EKF1-63L, EKF1-125L | |
| Poles | 1P,2P,3P,4P,1P+N,3P+N | |
| Utilization category | AC-22A | |
| Rated voltage Ue | 240/415V | |
| Insulation voltage Ui | 500V | |
| Rated frequency | 50/60Hz | |
| Rated impulse withstand voltage (1.5/50) Uimp | 4,000V | |
| Electrical life | 1,500Cycles | |
| Mechanical life | 8,500Cycles | |
| Operating frequency | 120/h | |
| Protection degree | Ip20 | |
| Tightening torque |
EKF1-32 | 1.5Nm 14In-lbs |
| EKF1-63 | 2.5Nm 22In-lbs | |
| EKF1-125 | 3.5Nm 30In-lbs | |
| Terminal size for cable | EKF1-32 | 16mm2 18-5AWG |
| EKF1-63 | 25mm2 18-3AWG | |
| EKF1-125 | 50mm2 18-2AWG | |
| Ambient temperature (with daily average≤35℃) | -5℃~+40℃ | |
| Storage temperature | -25℃~+70℃ | |
| Mounting | On DIN rail EN60715(35mm) by means of fast clip device | |


| Current Rating | Reference No. | Specification | Size of Fuse Link |
| 32A | EKF1-32-1 | Modular Fuse Base 32A Frame 1P W=18mm | 10x38mm |
| EKF1-32N-1 | Modular Fuse Base 32A Frame 1P+N W=18mm | ||
| EKF1-32-2 | Modular Fuse Base 32A Frame 2P W=36mm | ||
| EKF1-32-3 | Modular Fuse Base 32A Frame 3P W=54mm | ||
| EKF1-32-4 | Modular Fuse Base 32A Frame 4P W=72mm | ||
| EKF1-32L-1 | Modular Fuse Base with Lamp 32A Frame 1P W=18mm | ||
| EKF1-32L-2 | Modular Fuse Base with Lamp 32A Frame 2P W=36mm | ||
| EKF1-32L-3 | Modular Fuse Base with Lamp 32A Frame 3P W=54mm | ||
| EKF1-32L-4 | Modular Fuse Base with Lamp 32A Frame 4P W=72mm | ||
| 63A | EKF1-63-1 | Modular Fuse Base 63A Frame 1P W=27mm | 14x51mm |
| EKF1-63-2 | Modular Fuse Base 63A Frame 2P W=54mm | ||
| EKF1-63-3 | Modular Fuse Base 63A Frame 3P W=81mm | ||
| EKF1-63-4 | Modular Fuse Base 63A Frame 4P W=108mm | ||
| EKF1-63L-1 | Modular Fuse Base with Lamp 63A Frame 1P W=27mm | ||
| EKF1-63L-2 | Modular Fuse Base with Lamp 63A Frame 2P W=54mm | ||
| EKF1-63L-3 | Modular Fuse Base with Lamp 63A Frame 3P W=81mm | ||
| EKF1-63L-4 | Modular Fuse Base with Lamp 63A Frame 4P W=108mm | ||
| 125A | EKF1-125-1 | Modular Fuse Base 125A Frame 1P W=35mm | 22x58mm |
| EKF1-125-2 | Modular Fuse Base 125A Frame 2P W=70mm | ||
| EKF1-125-3 | Modular Fuse Base 125A Frame 3P W=105mm | ||
| EKF1-125-4 | Modular Fuse Base 125A Frame 4P W=140mm | ||
| EKF1-125L-1 | Modular Fuse Base with Lamp 125A Frame 1P W=35mm | ||
| EKF1-125L-2 | Modular Fuse Base with Lamp 125A Frame 2P W=70mm | ||
| EKF1-125L-3 | Modular Fuse Base with Lamp 125A Frame 3P W=105mm | ||
| EKF1-125L-4 | Modular Fuse Base with Lamp 125A Frame 4P W=140mm |
