
1.What is a Digital Voltmeter?Digital Voltmeter abbreviated as DVM is an instrument used to measure the electrical potential difference between two points in a circuit. The voltage could be an alternating current (AC) or direct current (DC). It measures the input voltage after converting the analog voltage to digital voltage and displays it in number format using a converter. The usage of digital voltmeter has increased the speed and accuracy with which the readings are noted.
1.Digital Voltmeter is used to know the actual voltage of different components.
2.DVM is widely used to check if there is power in the circuit, such as mains outlet.
3.Knowing the voltage across a circuit, current can be calculated.
1.You do not have to figure out the readings manually to get the voltage, ohm or ampere reading unlike the analogue voltmeters.
2.Digital voltmeters provide a precise and computer-generated reading on the screen which eliminates the errors that might occur in the case of human reading.
3.They provide accurate and fast readings when compared to the readings extracted from an analogue voltmeter.
4.Digital voltmeters do not require you to make calculations and are more stable, dependable and reliable.
5.Digital voltmeters provide accurate results and do not depend on the competency of the readers as in the case of reading analogue voltmeter.
6.Digital voltmeters are cost-effective and smaller in size, which makes them easy to handle and use.
7.Digital voltmeters have the function to measure both AC and DC voltages.
8.In certain latest digital voltmeters, there are microcontrollers with the use of which you can store the readings for further processing.
Electrical Features |
|
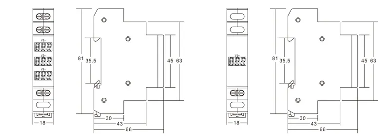
| Type | EKMV1: Single phase 1 LED digital display |
| EKMV3: Three phase 3 LED digital display | |
| Terminal for wiring | Single phase L+N |
| Three phase 3L+3N | |
| Digital colour | Red |
| Measurement voltage range | AC 80V~500V |
| Rated frequency | 50/60Hz |
| Working current | ≤20mA |
| Measuring accuracy | 1 |
| Measuring rate | >200MS/time |
| Protection degree | IP20 |
| Electrical Life | ≥15000hours |
Working Conditions |
|
| Ambient temperature (with daily average≤35℃) | -5℃~+40℃ |
| Storage temperature | -25℃~+70℃ |
| Air relative humidity | 10-80% (no condensation) |
| Work pressure | 80~160Kpa |
| Sunniness | no sunniness |
Installation |
|
| Terminal for wiring | 1.5mm² |
| Mounting | On DIN rail EN60715(35mm) by means of fast clip device |

