● Standard: IEC/EN 61643-11
● Surge Rating: Imax=20kA (8/20 µs)
● IEC/EN Category: Type 2/Class II
● Max. continuous operating voltage: 150, 275, 320, 385, 440V
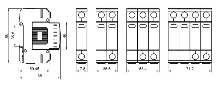
● Housing: Pluggable Design
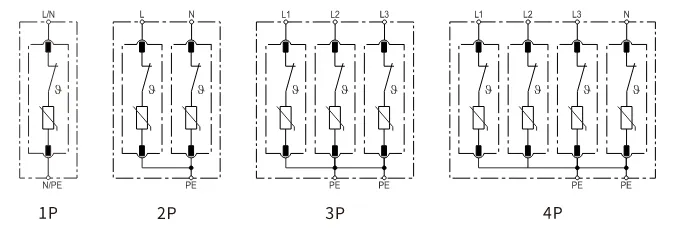
EKU5-T2-20 Type 2 modular surge protection devices offer protection for equipment connected to low voltage AC power supplies, guarding against transient overvoltage caused by local lightning strikes or the switching of electrical inductive or capacitive loads. They are available with DIN rail mount connection bases in 1, 2, 3, or 4 modules, allowing for easy plug-in of the chosen surge protection modules.
| No.of poles | 1P | 2P | 3P | 4P | 1P+NPE | 3P+NPE |
| Network systems | TN-S, TN-C, TT(only L-N) | TN-S | TN-C | TN-S | TT, TN-S | |
| Mode of protection | L-PE, N-PE(onlyTN-S), L-PEN, L-N | L-PE, N-PE | L-PEN | L-PE, N-PE | L-N, N-PE | |
| Protective elements | High Energy MOV | High Energy MOV and GDT | ||||
| Maximum continuous operating voltage (L-N) | Uc | 150V | 275V | 320V | 385V | 440V |
| Maximum continuous operating voltage (N-PE) | Uc | 255V | ||||
| Norminal discharge current (8/20μs) (L-N)/(N-PE) | In | 10kA | ||||
| Maximum discharge current (8/20μs) (L-N)/(N-PE) | Imax | 20kA | ||||
| Voltage protection level (L-N)/(N-PE) | Up | 0.8kV/1.5kV | 1.0kV/1.5kV | 1.2kV/1.5kV | 1.45kV/1.5kV | 1.6kV/1.5kV |
| Voltage protection level 5kA | Up | 0.5kV | 0.8kV | 1.0kV | 1.2kV | 1.4kV |
| Response time (L-N)/(N-PE) | tA | ≤25ns/≤100ns | ||||
| Operating temperature range | Tu | -40℃ to +80℃ | ||||
| Max. Back-up fuse | 125 A gL/gG | |||||
| Operating state/fault indication | Green/Red(L-N),Yellow(N-PE) | |||||
| Cross-section area (Min.)/(Max.) | 4mm²/35mm² | |||||
| Mounting | 35 mm DIN Rail, EN 60715 | |||||
| Enclosure material | Thermal Plastic UL94-V0 | |||||
| Degree of protection | IP20 (built-in) | |||||



|
No. of Poles |
Max. Continuous Operating AC Voltage |
||||
| 150V | 275V | 320V | 385V | 440V | |
|
1P |
EKU5-T2-20-1P150 |
EKU5-T2-20-1P275 |
EKU5-T2-20-1P320 |
EKU5-T2-20-1P385 |
EKU5-T2-20-1P440 |
|
2P |
EKU5-T2-20-2P150 |
EKU5-T2-20-2P275 |
EKU5-T2-20-2P320 |
EKU5-T2-20-2P385 |
EKU5-T2-20-2P440 |
|
3P |
EKU5-T2-20-3P150 |
EKU5-T2-20-3P275 |
EKU5-T2-20-3P320 |
EKU5-T2-20-3P385 |
EKU5-T2-20-3P440 |
|
4P |
EKU5-T2-20-4P150 |
EKU5-T2-20-4P275 |
EKU5-T2-20-4P320 |
EKU5-T2-20-4P385 |
EKU5-T2-20-4P440 |
|
1P+NPE |
EKU5-T2-20-1PN150 |
EKU5-T2-20-1PN275 |
EKU5-T2-20-1PN320 |
EKU5-T2-20-1PN385 |
EKU5-T2-20-1PN440 |
|
3P+NPE |
EKU5-T2-20-3PN150 |
EKU5-T2-20-3PN275 |
EKU5-T2-20-3PN320 |
EKU5-T2-20-3PN385 |
EKU5-T2-20-3PN440 |
| With Remote Signaling | |||||
|
1P |
EKU5-T2-20-1P150S |
EKU5-T2-20-1P275S |
EKU5-T2-20-1P320S |
EKU5-T2-20-1P385S |
EKU5-T2-20-1P440S |
|
2P |
EKU5-T2-20-2P150S |
EKU5-T2-20-2P275S |
EKU5-T2-20-2P320S |
EKU5-T2-20-2P385S |
EKU5-T2-20-2P440S |
|
3P |
EKU5-T2-20-3P150S |
EKU5-T2-20-3P275S |
EKU5-T2-20-3P320S |
EKU5-T2-20-3P385S |
EKU5-T2-20-3P440S |
|
4P |
EKU5-T2-20-4P150S |
EKU5-T2-20-4P275S |
EKU5-T2-20-4P320S |
EKU5-T2-20-4P385S |
EKU5-T2-20-4P440S |
|
1P+NPE |
EKU5-T2-20-1PN150S |
EKU5-T2-20-1PN275S |
EKU5-T2-20-1PN320S |
EKU5-T2-20-1PN385S |
EKU5-T2-20-1PN440S |
|
3P+NPE |
EKU5-T2-20-3PN150S |
EKU5-T2-20-3PN275S |
EKU5-T2-20-3PN320S |
EKU5-T2-20-3PN385S |
EKU5-T2-20-3PN440S |
