● Standard: IEC/EN 61643-31
● Surge Rating: Iimp=6.25kA (10/350 µs), Imax=40kA (8/20 µs)
● IEC/EN Category: Class I+II / Type 1+2
● Max. continuous operating voltage (Ucpv): 500, 1000,1500V
● Housing: Pluggable Design
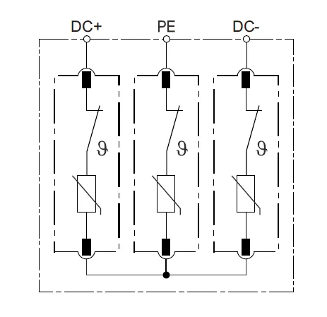
The EKU5 T1+T2 DC Surge Protector series is designed for use in photovoltaic (PV) applications of up to 1500V. These Surge Protective Devices (SPDs) comply with the PV T1+T2 classification outlined in the IEC 61643-31 standard. The indication front window helps users to know the status of the device and remote-signal port can provide remote indication and alarm. Additionally, the plug-in module design facilitates later maintenance and replacement.
| No.of poles | 3P | |||
| Location of Use | String box, Inverter | |||
| Mode of protection | (DC+)-PE,(DC-)-PE,(DC+)-(DC-) | |||
| Protective elements | High Energy MOV | |||
| Maximum continuous operating DC voltage | Ucpv | 500V | 1000V | 1500V |
| Norminal discharge current (8/20μs) | In | 20kA | ||
| Impulse discharge current (10/350μs) | Iimp | 6.25kA | ||
| Total discharge current (10/350μs) | ITotal | 12.5kA | ||
| Total discharge current (8/20μs) | ITotal | 40kA | ||
| Maximum discharge current (8/20μs) | Imax | 40kA | ||
| Voltage protection level (DC+)-PE,(DC-)-PE | Up | 2kV | 4.0kV | 5.2kV |
| Voltage protection level (DC+)-(DC-) | Up | / | 4.0kV | 5.2kV |
| Response time | tA | ≤25ns | ||
| Operating temperature range | Tu | -40℃ to +80℃ | ||
| Operating state/fault indication | Green/Red | |||
| Cross-section area (Min.)/(Max.) | 4mm²/35mm² | |||
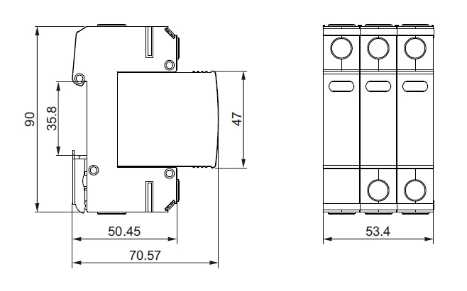
| Mounting | 35 mm DIN Rail, EN 60715 | |||
| Enclosure material | Thermal Plastic UL94-V0 | |||
| Degree of protection | IP20 (built-in) | |||


|
No. of Poles
|
Max. Continuous Operating DC Voltage
|
||
|
500V
|
1000V | 1500V | |
|
3Module
|
EKU5-T1+T2-40PV-3M500
|
EKU5-T1+T2-40PV-3M1000 | EKU5-T1+T2-40PV-3M1500 |
|
With Remote Signaling
|
|||
|
3Module
|
EKU5-T1+T2-40PV-3M500S
|
EKU5-T1+T2-40PV-3M1000S | EKU5-T1+T2-40PV-3M1500S |
