Model: ETM-OF
Auxiliary Contact
Inquire
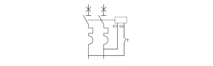
Allows remote circuit breaker tripping via an external electrical signal (e.g., emergency stop).
Typical Applications:
Emergency stop systems, electrical fire safety systems, and remote disconnection.




| Technical Data | ||||
| Model | ETM-MX-48 | ETM-MX-400 | ||
| Standard | IEC/EN 60947-5-1 | |||
| Rated voltage (Ue) | AC/DC | 24~48V | 110~400V | |
| Operating frequency | 50/60Hz | |||
| Rated insulation voltage (Ui) | 400V | |||
| Rated impulse withstand voltage (Uimp) | 2.5kV | |||
| Pollution degree | 2 | |||
| Mechanical state indicator | Yes | |||
| Terminal type | Lug type | |||
| Terminal capacity | Up to 2.5mm² | |||
| Tightening torque | 0.8 N.m | |||
| Ambient temperature | -5℃~+40℃ | |||
| Storage temperature | -25℃~+70℃ | |||
| Product width | 18mm | |||
| Compatible product | T Series MCB,RCBO | |||
