● Control mode: Switching input control or RS485 control (MODBUS-RTU)
● Rated supply voltage: DC24V±10% or AC230V±10%
● Ambient temperature: -20℃ to+55℃
● Auto reclosing times: 3
● Auto reclosing interval time: 10S - 60S - 300S
● Installation method: Mounting on 35mm DIN rail
EKR5 Series Recloser is a reclosing device compatible with switch control and RS485 remote control, designed for use with RCCBs.
It features an automatic reclosing function that attempts to restart up to three times. If a line protection device trips due to manual opening, short circuit, leakage, or overload, the EKR5 will automatically attempt to restore power, enhancing the reliability of the power supply system.
This device is extensively used in areas such as home smart power distribution and photovoltaic equipment, making it a practical and widely adopted solution for reclosing needs.
Can be used with ETEK's RCCBs.
Extended voltage ranges in two versions (24V DC and 230V AC)
Supports switch control or RS485 control of RCCB, remote closing and opening.
Type R has automatic reclosing function (3 times).
The working status is indicated by an LED.
The operating mechanism is only 18mm wide.
A padlock can be used to secure the circuit breaker in the open position, ensuring safe operation on site.
Enhance your electrical system with the EKR5 Recloser, enabling better control, energy optimization, and a sense of security.
| EK | R5 | - | A1 | - | C | R |
| Company code | Series code | A1: Working voltage AC230V | C: Switch control |
Automatic reclosing
function
|
||
| D1:Working voltage DC24V | S: RS485 control |
|
Model
|
EKR5-A1-C(R)
|
EKR5-D1-C(R)
|
EKR5-A1-S(R)
|
EKR5-D1-S(R)
|
|
Control mode
|
Switching input control +
automatic reclosing (Optional)
|
RS485 control (MODBUS-RTU) + automatic reclosing (Optional)
|
||
|
Power terminals
|
A1-A2
|
|||
|
Rated supply voltage
|
AC230V±10%
|
DC24V±10%
|
AC230V±10%
|
DC24V±10%
|
|
Power consumption
|
Max.1VA(standby), Max.20VA(operation)
|
|||
|
Frequency range
|
50~60Hz | |||
|
Supply indication
|
Red and green LEDs
|
|||
|
Action time
|
≤ 1s
|
|||
|
Auto reclosing times (Optional)
|
3
|
|||
|
Auto reclosing interval time (Optional)
|
10S - 60S - 300S
|
|||
|
Reset the closing times (Optional)
|
No trip or manual reset within 15 minutes after the successful closing
|
|||
|
Electrical life
|
4000 Cycles
|
|||
| Mechanical life |
10000 Cycles
|
|||
|
Ambient temperature
|
-20℃ to+55℃
|
|||
|
Storage temperature
|
-35℃ to+75℃
|
|||
|
Installation method
|
Mounting on 35mm DIN rail
|
|||
|
Protection degree
|
IP20
|
|||
|
Overvoltage cathegory
|
III
|
|||
|
Pollution degree
|
2
|
|||
|
Max. terminal size for cable
|
2.5mm²
|
|||
|
Dimensions
|
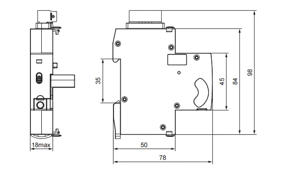
84×18×78mm
|
|||
|
Matching products
|
EKL6-100, EKL6-100B, EKL6-63EV
|
|||
| RCCB Model | EKL6-100(H) | EJL6-100B | EKL6-63EV |
|
Standard
|
IEC/EN61008-1
|
IEC61008-1, IEC62423
|
IEC61008-1, IEC62955
|
|
Type of trip
|
Electro-magnetic
|
||
|
Type of protection (electric leakage)
|
AC, A, A-G / A-SI, A-S
|
B
|
A+DC 6mA
|
|
No.of poles
|
2P(1P+N), 4P(3P+N) , N Pole on left
|
||
|
Rated voltage (Ue)
|
1P+N: 230/240V~, 3P+N: 400/415V~
|
||
|
Rated currents (In)
|
16,25,32,40,63,80,100A
|
16,25,32,40,63A
|
|
|
Rated sensitivity currents (IΔn)
|
10,30,100,300mA
(10mA only for In=16-25A)
|
30,100,300mA
|
30mA, DC trip threshold(I
Δdc)=6mA
|
|
Rated breaking capacity
|
6,000A, 10,000A
|
10,000A
|
10,000A
|
|
Electrical life
|
2,000 Cycles
|
||
|
Mechanical life
|
4,000 Cycles
|
||
|
Ambient temperature
|
-25℃ to +40℃
|
-25℃ to +55℃
|
|
|
Ground fault indicator
|
Yes
|
||
|
Protection degree
|
IP20
|
||
|
Terminal connection type
|
Cable/Pin-type busbar/Fork-type busbar
|
||
|
Max.terminal size for cable
|
35mm2
|
||
|
Max.tightening torque
|
2.5N.m
|
||
|
Installation
|
Mounting on 35mm DIN rail
|
||
|
Connection
|
From top or bottom
|
||




