• Voltage: 240/415V AC systems (50/60Hz)
• Current range: 16A to 100A
• Rated residual current: 30, 100, 300mA
• Breaking capacity: 10kA
• Protects against leakage faults
• Electro-magnetic type
• B HP type
• Bidirectional wiring capability
• Ground fault indication
• RCCB according to IEC/EN 62423, lEC/EN 61008-1, BS 7671
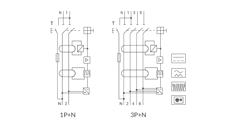
EKL6-100BHP is a Type B HP Residual Current Device(RCD) for heat pumps, available in 1P+N and 3P+N up to 100 A. It detects AC, pulsating DC, and smooth DC, and is specially optimized for high-frequency leakage from inverter compressors. It operates beyond 20 kHz, with a raised 150 mA trip threshold above 1 kHz, reducing nuisance tripping. Tolerance to DC prevents RCD "blinding" and ensures reliable fault detection.
Compliant with BS 7671 for heat pump installs, EKL6-100BHP is a robust, recognized alternative to “B+” RCDs. Its high-frequency and heat pump tuning makes it ideal not only for heat pumps, but also for PV, EV charging, and variable-speed drives.
![]() |
![]() |
![]() |
![]() |
| Heat Pump | UPS Systems | EV Charging Stations | Photovoltaic (PV) Systems |
| Standard | IEC/EN62423(Type B)+IEC/EN 61008-1; Compliant with BS 7671 for heat pumpuse |
| Protection | Ground fault (residual current) |
| Type of trip | Electro-magnetic (RCD) |
| Residual current type | Type BHP - residual AC, pulsating DC and smooth DC; high-frequency immunity for inverter/heat-pump leakage |
| HF behavior (Type B HP) | Designed to tolerate switching noise ≥20kHz; for f≥1kHz uses a raised minimum tripping threshold, typically ≥150mA to reduce nuisance tripping |
| Time characteristic | Instantaneous |
| No.of poles | 1P+N, 3P+N |
| Neutral | Switched, Npole on the left |
| Insulation voltage (Ui) | 500V |
| Rated voltage (Ue) | 1P+N:230/240V~; 3P+N:400/415V~ |
| Rated currents (In) | 16, 25, 40, 63, 80, 100A |
| Rated sensitivity currents (I△n) | 30, 100, 300mA |
| Residual current off-time under (I△n) | ≤0.1s |
| Rated residual making and breaking capacity (I△m) | 500A(In≤50A),10ln(In>50A) |
| Rated frequency | 50/60Hz |
| Rated conditional short-circuit current (Inc=l△c) | 10kA |
| Rated impulse withstand voltage(Uimp)(1.2/50μs) | 4kV |
| Dielectric test voltage | 2KV (50/60Hz,1 min.) |
| Fire resistance (glow-wire test) | 960±15℃ (Enclosure), 650±10℃ (Handle) |
| Electrical life | 2,000 Cycles |
| Mechanical life | 4,000 Cycles |
| Contact position indicator | green OFF/red ON |
| Ground fault indicator | White: Normal; Red: Leakage fault |
| Protection degree | IP20 |
| Ambient temperature | -25℃~+40℃ |
| Storage temperature | -30℃~+70℃ |
| Terminal connection type | Cable/Pin-type/Fork-type busbar |
| Max.terminal size for cable | 35mm² |
| Max.tightening torque | 2.5N.m |
| Installation | Mounting on 35mm DIN rail |
| Incoming method | Bi-directional |



