Main circuit protection in residential distribution systems
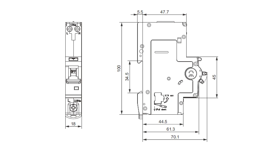
ETL2-63 1P+N RCBO in 1 module width, suitable for installation in chassis distribution boards. provides comprehensive protection against short-circuits, overloads, and earth faults. This device with a blue neutral cable features a 6kA or 10kA breaking capacity and is available in rated currents up to 63A, making it suitable for residential, commercial, and industrial applications. An optional functional earth cable (white) enhances safety in the event of neutral loss. The neutral is unswitched.



| Technical Data | |
| Standard | IEC/EN 61009-1 |
| Protection | Ground fault,Overcurrent and short circuit |
| Type of trip | Ground fault:Electronic |
| Overload and short circuit:Thermal-magnetic | |
| Residual current type | ACtype-AC residual current A type-residual AC and pulsating DC current |
| No.of poles | 1P+N,Neutral line is unswitched |
| Insulation voltage(Ui) | 500V |
| Rated voltage(Ue) | 230/240V~ |
| Rated currents (In) | 6,10,16,20,25,32,40,50,63A |
| Rated sensitivity currents (I△n) | 10,30,100,300mA |
| Residual current off-time under(I△n) | ≤0.1s |
| Rated residual making and breaking capacity(I△m) | 500A(In≤50A);10ln(In>50A) |
| Rated frequency | 50/60Hz |
| Rated short-circuit capacity(lcn) | ETL2-63:6kA;ETL2-63H:10kA |
| Energylimiting class | 3 |
| Rated impulse withstand voltage(Uimp)(1.2/50μs) | 4kV |
| Dielectric test voltage | 2kV(50/60Hz,1 min.) |
| Fire resistance(glow-wire test) | 960±15℃(Enclosure); 650±10℃(Handle) |
| Thermal tripping characteristics | 1.13In No tripping within an hour;1.45In Tripping within an hour |
| Instantaneous tripping characteristics | B:3In-5In; C:5In-10ln |
| Electrical life | 4,000 Cycles |
| Mechanical life | 8,000 Cycles |
| Contact position indicator | green OFF/red ON |
| Protection degree | IP20 |
| Ambient temperature | -25℃~+55℃ |
| Storage temperature | -30℃~+70℃ |
| Terminal connection type | Cable/Pin-type/Fork-type busbar |
| Max.terminal size for cable | Line side(bottom):25mm²; Load side (top):16mm² (For 16mm²conductors:crimping terminal lug is mandatory.) |
| Max.tightening torque | Bottom(line side):2.5N.m; Top(Load side):1.2N.m |
| Neutral load cable | Bule,500mm length,4mm² (Other lengths available upon request) |
| Functional earth cable | White,500mm length,0.6mm²(Other lengths available upon request) |
| Installation | Mounting on 35mm DIN rail |
| Incoming method | Bi-Directional |
| Auxiliary for remote tripping or signaling | |
| Auxiliary Contact | Yes |
| Auxiliary &Alarm Contact | Yes |
| Shunt Release | Yes |
| Shunt Release &Auxiliary Contact | Yes |
| Voltage Loss Release | Yes |
| Over-voltage Release | Yes |
| Undervoltage Release | Yes |
| Over-undervoltage Release | Yes |




