Main circuit protection in residential distribution systems
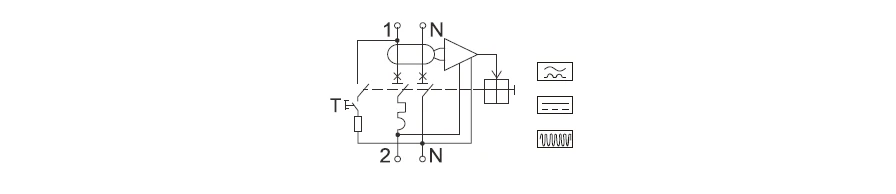
ETL3-63B is an IP+N Type B RCBO (Residual Current Circuit Breaker with Overcurrent protection) with up to 63A rated current, 230/240V rated voltage, 10kA breaking capacity, and 30mA residual current sensitivity. It features both B and C curve characteristics and provides comprehensive protection against overcurrent, short circuit, and earth leakage, with advanced detection of complex waveforms and smooth DC residual currents.
With its bidirectional power capability, ETL3-63B is especially suited for modern electrical installations and renewable energy applications, ensuring reliable protection for sensitive equipment such as EV chargers, solar panels, and heat pumps.



| Technical Data | |
| Standard | IEC/EN 61009-1,IEC/EN 62423 |
| Protection | Ground fault,Overcurrent and short circuit |
| Type of trip | Ground fault:Electronic |
| Overload and short circuit:Thermal-magnetic | |
| Residual current type | BType-residual AC, pulsating and smooth DC current, high frequency (≤1kHz) |
| No.of poles | 1P+N |
| Neutral | Switched,N pole on the right |
| Insulation voltage(Ui) | 500V |
| Rated voltage(Ue) | 230/240V~ |
| Rated currents(In) | 6,10,16,20,25,32,40,50,63A |
| Rated sensitivity currents(I△n) | 30mA |
| Residual current off-time under(Ian) | ≤0.1s |
| Rated residual making and breaking capacity(I△m) | 500A(In≤50A),10ln(In>50A) |
| Rated frequency | 50/60Hz |
| Rated short-circuit capacity (Icn) | 10kA |
| Energy limiting class | 3 |
| Rated impulse withstand voltage(Uimp)(1.2/50μs) | 4KV |
| Dielectric test voltage | 2KV(50/60Hz,1min.) |
| Fire resistance(glow-wire test) | 960±15℃(Enclosure),650±10℃(Handle) |
| Thermal tripping characteristics | 1.13In No tripping within an hour;1.45In Tripping within an hour |
| Instantaneous tripping characteristics | B:3In-5In;C:5In-10ln |
| Electrical life | 4,000 Cycles |
| Mechanical life | 10,000 Cycles |
| Contact position indicator | green OFF/red ON |
| Ground fault indicator | White:Normal;Blue:Leakage fault |
| Protection degree | IP20 |
| Ambient temperature | -25℃~+55℃ |
| Storage temperature | -30℃~+70℃ |
| Terminal connection type | Cable/Pin-type/Fork-type busbar |
| Max.terminal size for cable | 16mm²flexible/25mm²rigid |
| Max.tightening torque | 2.5N.m |
| Installation | Mounting on 35mm DIN rail |
| Incoming method | Bi-directional |




