Model: EKR8-3
Light Activated Switch and Staircase Light Time Switch
Inquire
Time relay is an automatic control unit, which can be combined with various other electrical equipment to realize automatic control of the running circuit. When the preset time is over, the contact output will be closed or opened, so that the terminal electrical equipment can run or stop automatically.
This series of time relays has the advantages of wide operating voltage range, clear working instructions, small volume, uniform size, easy installation, etc.
Application: Industrial machinery, Illumination, Manufacturing, HVAC system, Food and agriculture.
Technical Data Sheet 1 |
||||
|
EKR8-521T
|
EKR8-522T
|
EKR8-541T
|
EKR8-542T
|
|
|
Output Characteristics
|
Multi-period SPDT Output
|
Multi-period DPDT Output
|
Multi-period Circulation, SPDT
|
Multi-period Circulation, DPDT
|
|
Rated Current
|
5A/16A
|
|||
|
Working Voltage
|
Single Voltage: AC12V, AC24V, AC110V, AC220V, DC12V, DC24V
Wide Voltage: AC/DC12-240V |
|||
|
Time Range
|
0.1S~10D
|
|||
|
Functions
|
SPDT
|
DPDT
|
SPDT
|
DPDT
|
Technical Data Sheet 2 |
|||||
|
EKR8-5110
|
EKR8-5111
|
EKR8-5120
|
EKR8-5121
|
EKR8-5130
|
|
|
Output Characteristics
|
SPDT (On Delay)
|
SPDT (Off Delay)
|
DPDT (On Delay)
|
DPDT (Off Delay)
|
One Group Inst, One Group Delay
|
|
Rated Current
|
5A/16A | ||||
|
Working Voltage
|
Single Voltage: AC12V, AC24V, AC110V, AC220V, DC12V, DC24V Wide Voltage: AC/DC12-240V |
||||
|
Time Range
|
1S,3S,6S,10S,30S,60S,3M,6M,10M,30M,60M,3H,6H,10H,30H
|
||||
|
Functions
|
SPDT | DPDT | DPDT | DPDT | DPDT |
Technical Data Sheet 3 |
|||
|
EKR8-521★
|
EKR8-522★
|
EKR8-532★
|
|
|
Output Characteristics
|
Multi-period Time-delay, SPDT
|
Multi-period Time-delay, DPDT |
Multi-period, Time-delay, A/B mode can be switched
|
|
Rated Current
|
5A/16A | ||
|
Working Voltage
|
Single Voltage: AC12V, AC24V, AC110V, AC220V, DC12V, DC24V Wide Voltage: AC/DC12-240V |
||
|
Time Range
|
★: A, B, C, D, E
A:1S/10S/1M/10M, B:3S/30S/3M/30M, C:6S/60S/6M/60M
D:1M/10M/1H/10H, E:3M/30M/3H/30H
|
||
|
Functions
|
SPDT
|
DPDT
|
A Mode: DPDT,
B Mode: One group inst, One group delay, DPDT
|
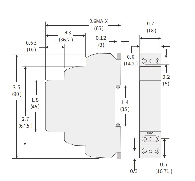
Dimension |
|
![]() |
|
Wiring Diagram |
|
| EKR8-521T/522T | |
![]() |
|
| EKR8-541T/542T | |
![]() |
|
| EKR8-5110/5111 | EKR8-5120/5121 |
![]() |
![]() |
| EKR8-5130 | EKR8-532x |
![]() |
![]() |
| EKR8-521x/522x | |
![]() |
|
