
EKR8-4 series is an economical and ultra-thin rail-type power supply that meets German industrial standards. It is suitable for installation on 35/7.5 or 35/15 rails. In order to save space, the body is designed to be 18mm (1SU) and 36mm (2SU) width. The entire series uses a full range of AC input from 85VAC to 264VAC (277VAC is also applicable), and all comply with the EN61000-3-2 standard on the harmonic current specifications specified by the European Union.
EKR8-4 series is designed with a plastic shell, which can effectively protect users from electrical hazards. The work efficiency is as high as 87%. Under air circulation, the entire series can work at an ambient temperature of -30 to 70 degrees. It has complete protection functions and complies with relevant certification standards for home automation and industrial control equipment (IEC62368-1, EN61558-2-16), making EKR8 series a highly competitive home and industrial application power solutions.
1. Unless otherwise specified, all specification parameters shall be measured at 230VAC input, rated load and ambient temperature of 25 degrees.
2. Ripple and noise measurement method: a 12mm2 twisted pair wire is used, and the terminals are connected in parallel with the capacitors of 0.1uf and 47uf, and the measurement is conducted at the bandwidth of 20MHz.
3. Accuracy: including setting error, linear adjustment rate and load adjustment rate.
|
EKR8-4111805
|
EKR8-4111812
|
EKR8-4111815
|
EKR8-4111824
|
EKR8-4111848
|
||
| Output |
DC Voltage
|
5V | 12V |
15V
|
24V
|
48V |
|
Rated Current
|
2.4A
|
1.25A |
1A
|
0.63A
|
0.32A
|
|
|
Rated Power
|
12W | 15W | 15W | 15.2W |
15.4W
|
|
|
Ripple and Noise (max)
|
80mVp-p
|
120mVp-p |
120mVp-p
|
150mVp-p
|
240mVp-p
|
|
|
Voltage Adjustment Range
|
4.5-5.5V | 10.8-13.8V | 13.5-18V | 21.6-29V | 43.2-55.2V | |
|
Voltage Accuracy
|
⼠2.0%
|
⼠1.0%
|
⼠1.0%
|
⼠1.0%
|
⼠1.0% | |
|
Linear Adjustment Rate
|
⼠1.0%
|
⼠1.0% | ⼠1.0% | ⼠1.0% | ⼠1.0% | |
|
Load Adjustment Rate
|
⼠1.0%
|
⼠1.0% | ⼠1.0% | ⼠1.0% | ⼠1.0% | |
|
Start and Rise Time
|
2000ms,80ms/230VAC, 2000ms,80ms/115VAC (Under Full Load)
|
|||||
|
Hold Time (Typ.)
|
300ms/230VAC, 12ms/115VAC (Under Full Load)
|
|||||
|
Input
|
Voltage Range
|
85-264VAC (277VAC Available), 120-370VDC (390VDC Available)
|
||||
|
Frequency Range
|
47-63Hz
|
|||||
|
Efficiency (Typ.)
|
80%
|
85% | 85.5% | 86% | 87% | |
|
Alternating Current (Typ.)
|
0.5A/115VAC, 0.25A/230VAC
|
|||||
|
Surge Current (Typ.)
|
Cold Start: 25A/115VAC, 45A/230VAC | |||||
|
Protection
|
Overload
|
110-145% of rated output power
|
||||
|
When the output voltage is less than 50%, it is in hiccup mode, and it can automatically recover after the abnormal load condition is removed.
When the output voltage is 50%-100%, it is in constant current mode, and it can automatically recover after the abnormal load condition is removed.
|
||||||
|
Over-voltage
|
5.75-6.75V
|
14.2-16.2V
|
18.8 - 22.5V
|
30 - 36V
|
56.5-64.8V
|
|
|
Protection mode: Turn off the output, clamp with the Zener diode
|
||||||
|
EKR8-4113605
|
EKR8-4113612
|
EKR8-4113615
|
EKR8-4113624
|
EKR8-4113648
|
||
| Output |
DC Voltage
|
5V | 12V |
15V
|
24V
|
48V |
|
Rated Current
|
3A
|
2A |
2A
|
1.5A
|
0.75A
|
|
|
Rated Power
|
15W | 24W | 30W | 36W |
36W
|
|
|
Ripple and Noise (max)
|
80mVp-p
|
120mVp-p |
120mVp-p
|
150mVp-p
|
240mVp-p
|
|
|
Voltage Adjustment Range
|
4.5-5.5V | 10.8-13.8V | 13.5-18V | 21.6-29V | 43.2-55.2V | |
|
Voltage Accuracy
|
⼠2.0%
|
⼠1.0%
|
⼠1.0%
|
⼠1.0%
|
⼠1.0% | |
|
Linear Adjustment Rate
|
⼠1.0%
|
⼠1.0% | ⼠1.0% | ⼠1.0% | ⼠1.0% | |
|
Load Adjustment Rate
|
⼠1.0%
|
⼠1.0% | ⼠1.0% | ⼠1.0% | ⼠1.0% | |
|
Start and Rise Time
|
2000ms,80ms/230VAC, 2000ms,80ms/115VAC (Under Full Load)
|
|||||
|
Hold Time (Typ.)
|
300ms/230VAC, 12ms/115VAC (Under Full Load)
|
|||||
|
Input
|
Voltage Range
|
85-264VAC (277VAC Available), 120-370VDC (390VDC Available)
|
||||
|
Frequency Range
|
47-63Hz
|
|||||
|
Efficiency (Typ.)
|
82%
|
88% | 89% | 89% | 90% | |
|
Alternating Current (Typ.)
|
0.5A/115VAC, 0.25A/230VAC
|
|||||
|
Surge Current (Typ.)
|
Cold Start: 25A/115VAC, 45A/230VAC | |||||
|
Protection
|
Overload
|
110-145% of rated output power
|
||||
|
When the output voltage is less than 50%, it is in hiccup mode, and it can automatically recover after the abnormal load condition is removed.
When the output voltage is 50%-100%, it is in constant current mode, and it can automatically recover after the abnormal load condition is removed.
|
||||||
|
Over-voltage
|
5.75-7.5V
|
15-18V
|
18.8-22.5V
|
30-36V
|
56.5-64.8V
|
|
|
Protection mode: Turn off the output, clamp with the Zener diode
|
||||||
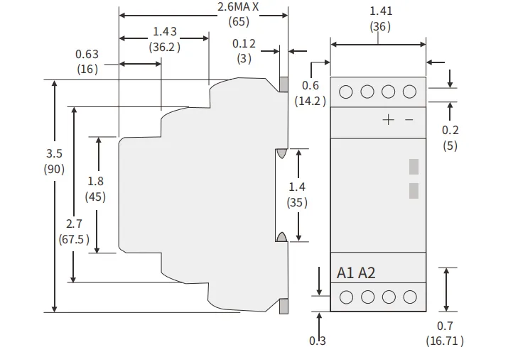
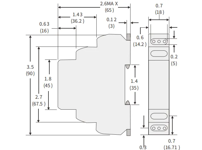
Dimension |
Wiring Diagram |
![]() |
EKR8-4111805/4111812 |
![]() |
|
| EKR84111815/4111824 | |
![]() |
|
| EKR8-4111848 | |
![]() |
|
| EKR8-4113605/4113612 | |
![]() |
![]() |
| EKR8-4113615/4113624 | |
![]() |
|
| EKR8-41148W3 | |
![]() |

EKR8-4 series is an economical and ultra-thin rail-type power supply that meets German industrial standards. It is suitable for installation on 35/7.5 or 35/15 rails. In order to save space, the body is designed to be 18mm (1SU) and 36mm (2SU) width. The entire series uses a full range of AC input from 85VAC to 264VAC (277VAC is also applicable), and all comply with the EN61000-3-2 standard on the harmonic current specifications specified by the European Union.
EKR8-4 series is designed with a plastic shell, which can effectively protect users from electrical hazards. The work efficiency is as high as 87%. Under air circulation, the entire series can work at an ambient temperature of -30 to 70 degrees. It has complete protection functions and complies with relevant certification standards for home automation and industrial control equipment (IEC62368-1, EN61558-2-16), making EKR8 series a highly competitive home and industrial application power solutions.
1. Unless otherwise specified, all specification parameters shall be measured at 230VAC input, rated load and ambient temperature of 25 degrees.
2. Ripple and noise measurement method: a 12mm2 twisted pair wire is used, and the terminals are connected in parallel with the capacitors of 0.1uf and 47uf, and the measurement is conducted at the bandwidth of 20MHz.
3. Accuracy: including setting error, linear adjustment rate and load adjustment rate.