Voltage protection relay uses a high-speed and low power processor as its core. When the power supply line has over-voltage, under-voltage, or phase failure, phase reverse, the relay will cut off the circuit quickly and safely to avoid accidents caused by abnormal voltage being sent to the terminal appliance.
1. The product has protective functions: phase breaking, phase staggering, unbalanced voltage, zero line breaking.
2. Real-time monitoring of phase-staggered, phase-missing and voltage-unbalanced faults in three-phase four-wire circuit.
3. Voltage Monitor, the product enhances the anti-interference performance of frequency converter, and the performance is more stable.
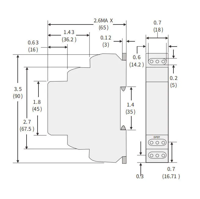
4.Voltage Monitoring Relay, the phase sequence protector adopts standard modular structure and rail installation
5. Phase Sequence Protection Relay, the product has two indicator lights indicating various working conditions.
Technical Data |
|
|
EKR8-741NA01
|
|
|
Monitoring Type
|
Three-phase Four-wire
|
|
Output Characteristics
|
SPDT
|
|
Over Voltage
|
0~20%
|
|
Under Voltage
|
0~20%
|
|
Time Delay
|
0.1~10S
|
|
Phase Sequence
|
√ |
|
Phase Failure
|
√ |
|
Asymmetric Voltage
|
5%~15%
|
|
Working Voltage/Frequency
|
L/N: AC127V-254V, 50/60Hz
|
|
Response Time of Relay
|
0.5S
|
|
Contact Rating
|
AC-15:3A/250VAC
|
|
Ambient Temperature
|
-10°C~+55°C
|
|
Voltage Error
|
⼠2% Max
|
|
Temperature Error
|
⼟2% Max
|

![]() |
![]() |
