Voltage protection relay uses a high-speed and low power processor as its core. When the power supply line has over-voltage, under-voltage, or phase failure, phase reverse, the relay will cut off the circuit quickly and safely to avoid accidents caused by abnormal voltage being sent to the terminal appliance.
1. Convenient Monitoring: The voltage relay can monitor its own operating voltage (true rms measurement).
2. Application: Equipment protection and control (tower cranes, elevators, agricultural equipment, refrigerated trucks); prevent reverse operation of equipment; normal/emergency power switch; prevent phase failure of dynamic loads.
3. LED Indicator: The working status of the voltage control relay is indicated by the LED indicator.
4. Small Size and Easy to Install: The voltage protection relay is ultra-small and can be mounted on a 35mm DIN rail.
Technical Data |
|
|
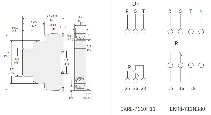
EKR8-7110H11
|
|
|
Monitoring Type
|
Three-phase Three-wire
|
|
Output Characteristics
|
SPDT
|
|
Time Delay
|
3S
|
|
Phase Failure
|
√ |
|
Working Voltage
|
Wide Voltage: AC220-480V
|
|
Frequency
|
50/60Hz |
|
Response Time of Relay
|
0.5S |
|
Contact Rating
|
AC-15:3A/250VAC
|
|
Ambient Temperature
|
-10°C~+55°C
|
|
Voltage Error
|
⼠2% Max
|
|
Temperature Error
|
⼠2% Max
|

