Model:
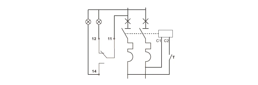
Auxiliary Contact
Inquire

1. Circuit breaker body 2. ETM-TZ mechanical interlock
3. ETM-MV+MN over-undervoltage release 4. ETM-MX+OF shunt release and auxiliary contact
ETM-MN undervoltage release ETM-MX shunt release
ETM-MV overvoltage release 5. ETM-OF auxiliary contact
ETM-MNs voltage loss release ETM-FB auxiliary and alarm contact



| Technical Data | ||||
| Model | ETM-MX+OF-48 | ETM-MX+OF-400 | ||
| Standard | IEC/EN 60947-5-1 | |||
| Number of contacts | 1NO+1NC | |||
| Rated voltage (Ue) | AC/DC | 24~48V | 110~400V | |
| Operating frequency | 50/60Hz | |||
| Rated insulation voltage (Ui) | 400V | |||
| Rated impulse withstand voltage (Uimp) | 2.5kV | |||
| Pollution degree | 2 | |||
| Mechanical state indicator | Yes | |||
| Terminal type | Lug type | |||
| Terminal capacity | Up to 2.5mm² | |||
| Tightening torque | 0.8 N.m | |||
| Ambient temperature | -5℃~+40℃ | |||
| Storage temperature | -25℃~+70℃ | |||
| Product width | 18mm | |||
| Compatible product | T Series MCB, RCBO | |||