Model: ETM-OF
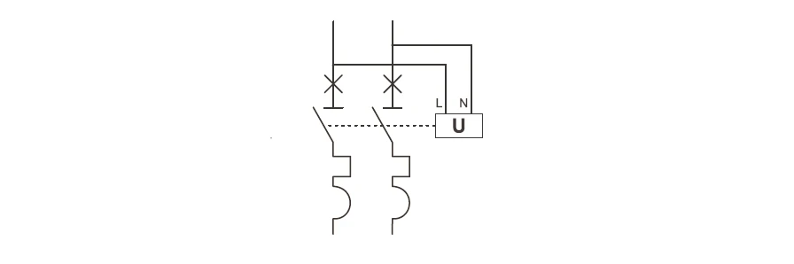
Auxiliary Contact
Inquire
Automatically trips the circuit breaker when the supply voltage drops below a certain threshold or is lost entirely.
Typical Applications:
Protection of voltage-sensitive equipment, prevention of low-voltage operation, and avoiding unintended startups.




| Technical Data | ||
| Model | ETM-MNs | |
| Standard | IEC/EN 60947-5-1 | |
| Rated voltage (Ue) | 230VAC | |
| Operating frequency | 50/60Hz | |
| Undervoltage protection interval | (35%~70%)Ue | |
| Normal recovery voltage | ≥85%Ue | |
| Rated insulation voltage (Ui) | 400V | |
| Rated impulse withstand voltage (Uimp) | 2.5kV | |
| Pollution degree | 2 | |
| Reset function | Yes | |
| Mechanical state indicator | Yes | |
| Terminal type | Lug type | |
| Terminal capacity | Up to 2.5mm² | |
| Tightening torque | 0.8 N.m | |
| Ambient temperature | -5℃~+40℃ | |
| Storage temperature | -25℃~+70℃ | |
| Product width | 18mm | |
| Compatible product | T Series MCB, RCBO | |
