● Standard: IEC61008-1, IEC61008-2, IEC62955
● Classification of RDC-DD: RDC-PD
● Behaviour in Presence of d.c. Components: Type A
● Rated current: 16~63A
● Rated voltage: 230/400V~240/415V
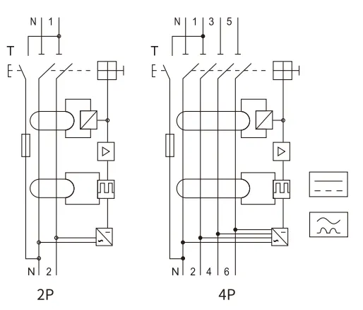
● Poles: 2P(1P+N), 4P(3P+N), N Pole on left
● Rated Residual Operating Current (IΔn): 30mA
● Rated DC Residual Operating Current (IΔdc): 6mA
● Ambient air temperature: -25...+55 ºC
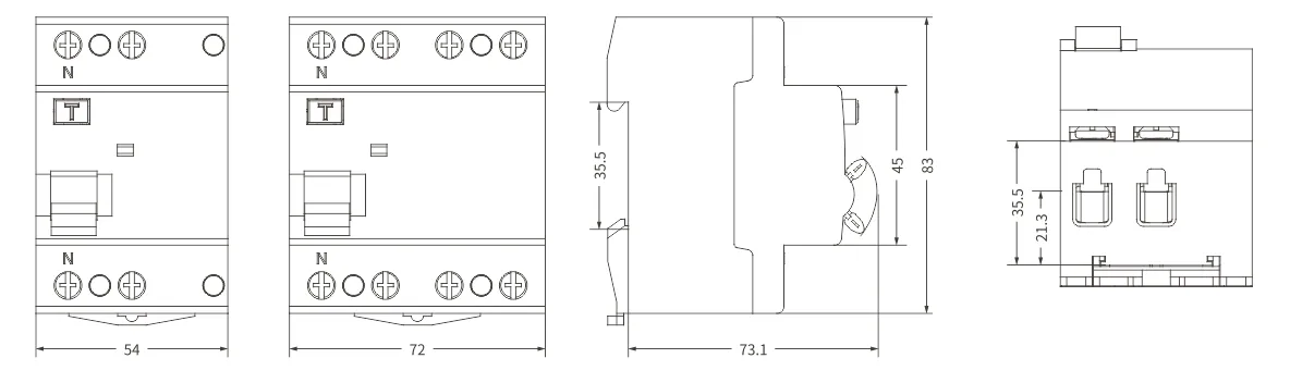
● Connection: From top and bottom
● Certificates: CE, CB, TUV, UKCA
● Applications: EV charging Station
EKL6-63EV Type EV RCD (RDC-PD) is a specialized residual current device designed specifically for electric vehicle charging systems, combining Type A RCCB functionality with 6mA DC residual current detection capability. This device complies with IEC 61008-1 and IEC 62955 standards, providing dual protection: 30mA AC (Type A) and 6mA DC residual current protection.
EKL6-63EV provides protection up to 63A, supports single-phase 230/240V and three-phase 400/415V operation, with a rated breaking capacity of 10kA. It must only be used for EV charging applications and is not suitable for any other purposes. Under no circumstances may this device be used as a replacement for Type B RCDs.
Advanced EV Charging Safety: Specifically designed for the unique requirements of electric vehicle charging stations.
6mA DC Sensitive Protection: Detects and interrupts even the smallest DC leakage currents (6mA), exceeding standard requirements for enhanced safety.
IEC 62955 Compliance: Meets the stringent international standard for residual direct current detecting devices used in EV charging equipment.
Optimal for Mode 3 Charging: Ideal for use in Mode 3 charging stations, ensuring the highest level of safety for AC charging.
High Current Rating: 63A capacity suitable for a wide range of EV charging applications, from residential to commercial installations.
Reliable Operation: Engineered for consistent performance and longevity, even in demanding environmental conditions.
Easy Installation & Integration: Designed for straightforward installation and seamless integration into EV charging systems.
Clear Visual Indicators: Features easily identifiable status indicators for quick visual checks and efficient troubleshooting.
Public and private EV charging stations
Residential EV charging points
Commercial and workplace EV charging infrastructure
Fleet EV charging systems
EV charging stations in multi-unit residential buildings
The EKL6-63EV Type EV RCD from ETEK Electric represents a commitment to the highest safety standards in electric vehicle charging. By choosing the EKL6-63EV, you are investing in advanced protection that prioritizes user safety and ensures a secure and reliable charging experience for all electric vehicle owners.
| Standard |
IEC61008-1,IEC61008-2, IEC62955
|
|
Protection
|
Ground fault
|
|
Type of trip
|
Electro-magnetic
|
|
Type of protection (electric leakage)
|
A & DC leakage current |
| Classification of RDC-DD | RDC-PD |
|
No. of poles
|
2P(1P+N), 4P(3P+N), N Pole on left
|
| Rated current In | 16,25,32,40,63A |
| Rated voltage Ue | 2P 240V~,4P 415V~ |
| Rated frequency | 50/60Hz |
|
Rated sensitivity currents IΔn
|
30mA |
| DC tripping threshold (IΔdc) | 6mA |
|
Residual current off-time under IΔn
|
≤0.1s |
| Rated residual making and breaking capacity (IΔm) | 500A(In≤40A), 10In (In>40A) |
|
Rated breaking capacity
|
10,000A |
| SCPD fuse | 10kA |
| Rated impulse withstands voltage (1.5/50) Uimp | 4000V |
| Dielectric test voltage at ind. Freq. for 1min | 2.5kV |
| Electrical life | 2,000 Cycles |
| Mechanical life | 4,000 Cycles |
| Contact position indicator | Yes |
|
Ground fault indicator
|
Yes |
| Protection degree | IP20 |
| Ambient temperature |
-25℃ to 55℃, Max.95% humidity
|
| Terminal connection type | Cable/Pin-type busbar/U-type busbar |
|
Max. terminal size for cable
|
35mm2 |
| Max. tightening torque | 2.5Nm |
|
Installation
|
Mounting on 35mm DIN rail
|
| Connection |
From top and bottom
|


| Model | Rated Current | Poles | RCD Type | Residual Current | Code |
| EKL6-63EV-1N2530AD6 | 25A | 1P+N | A | 30mA+6mA DC | 125452 |
| EKL6-63EV-1N3230AD6 | 32A | 1P+N | A | 30mA+6mA DC | 125225 |
| EKL6-63EV-1N4030AD6 | 40A | 1P+N | A | 30mA+6mA DC | 125453 |
| EKL6-63EV-1N6330AD6 | 63A | 1P+N | A | 30mA+6mA DC | 125454 |
| EKL6-63EV-3N2530AD6 | 25A | 3P+N | A | 30mA+6mA DC | 125455 |
| EKL6-63EV-3N3230AD6 | 32A | 3P+N | A | 30mA+6mA DC | 125226 |
| EKL6-63EV-3N4030AD6 | 40A | 3P+N | A | 30mA+6mA DC | 125456 |
| EKL6-63EV-3N6330AD6 | 63A | 3P+N | A | 30mA+6mA DC | 125457 |
