PV String Boxes
ETU5-T2-20PV Series DC Surge Protective Device is designed to provide reliable surge protection for the DC side of solar photovoltaic systems. It is suitable for use in PV string boxes and inverter DC inputs, helping to reduce the impact of lightning-induced surges and transient overvoltages on critical system components.
Engineered for modern PV installations, the series offers dependable protection, compact installation, and flexible system matching for a wide range of solar applications.

| ① | ETEK | ⑥ | Solar PV system |
| ② | T series | ⑦ | No. of Module: 2:2Module; 3:3Module |
| ③ | SPD series No.5 | ⑧ | Uc: 600:DC600V; 800:DC800V; 1000:DC1000V; 1500:DC1500V |
| ④ | Class II / Type 2 | ⑨ | With Remote Signaling |
| ⑤ | Imax: 20kA | ||






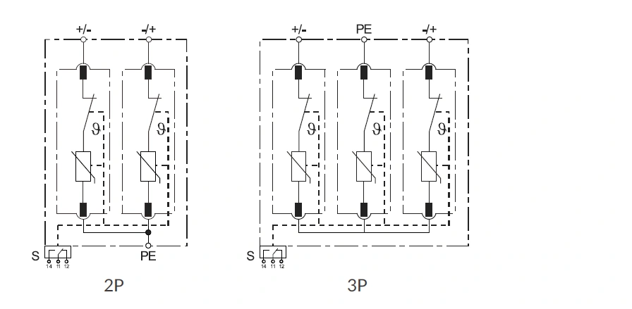
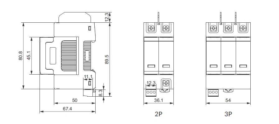
| No. of poles | 2P(2Mods), 3P(3Mods) | ||||
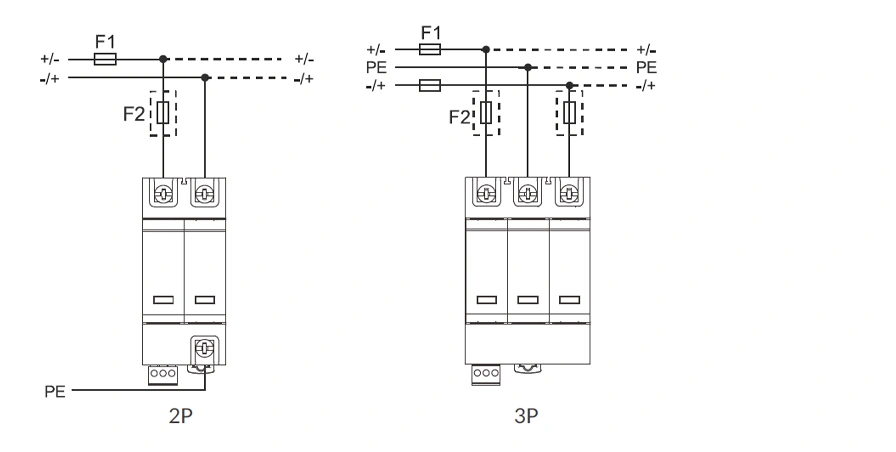
| Location of Use | Location of Use String box, Inverter | ||||
| Mode of protection | Mode of protection (DC+)-PE, (DC-)-PE, (DC+)-(DC-) | ||||
| Protective elements | Protective elements High Energy MOV | ||||
| Maximum continuous operating DC voltage | Ucpv | 600V | 800V | 1000V | 1500V |
| Norminal discharge current (8/20μs) | In | 10kA | |||
| Total discharge current (8/20μs) | ITotal | 20kA | |||
| Maximum discharge current (8/20μs) | Imax | 20kA | |||
| Voltage protection level (2P) | Up | 2.6kV | 3.5kV | 4.0kV | - |
| Voltage protection level (3P) | Up | - | - | 4.0kV | 5.2kV |
| Response time | tA | ≤25ns | |||
| Short-circuit current rating | Iscpv | 2000A | |||
| Operating temperature range | Tu | -40℃ to +80℃ | |||
| Operating state/fault indication | Green/Red | ||||
| Cross-section area (Min.)/(Max.) | 4mm²/35mm² | ||||
| Mounting | 35mm DIN Rail, EN 60715 | ||||
| Enclosure material | Thermal Plastic UL94-V0 | ||||
| Degree of protection | IP20 (built-in) | ||||
| Remote contacts (RC) | Optional | ||||
| RC switching capacity | AC: 250V/0.5A; DC: 250V/0.1A; 125V/0.2A; 75V/0.5A | ||||
| RC conductor cross section (max.) | 16 AWG (Solid) / 1.5mm² (Solid) | ||||
| Max. continuous operating DC voltage | ||||
| No. of poles | 600V | 800V | 1000V | 1500V |
| 2 module | ETU5-T2-20PV-2M600 | ETU5-T2-20PV-2M800 | ETU5-T2-20PV-2M1000 | - |
| 3 module | - | - | ETU5-T2-20PV-3M1000 | ETU5-T2-20PV-3M1500 |
| With Remote Signaling | ||||
| No. of poles | 600V | 800V | 1000V | 1500V |
| 2 module | ETU5-T2-20PV-2M600S | ETU5-T2-20PV-2M800S | ETU5-T2-20PV-2M1000S | - |
| 3 module | - | - | ETU5-T2-20PV-3M1000S | ETU5-T2-20PV-3M150S0 |




